Ariens Riding Mower Drive Belt Diagram : The belt goes around a spindle on each side, in front of the tensioners then togetherin middle.

Ariens Riding Mower Drive Belt Diagram : The belt goes around a spindle on each side, in front of the tensioners then togetherin middle.. Ariens genuine oem parts provide peace of mind and the confidence of knowing these parts were specifically designed for an exact fit, optimal performance and safety. Parts diagrams 12 how to replace a riding lawn mower blade drive beltthe ariens zoom or ikon x 42 mower belt is meant to replaces the deck drive belt on your riding mower and is specifically intended for use on the ariens zoom or ikon x 42 in. Ariens riding mower drive belt diagram. Enter your ariens model number below. Get free help, advice & support from top ariens.

Ariens genuine oem parts provide peace of mind and the confidence of knowing these parts were specifically designed for an exact fit, optimal performance and safety. Ariens lawn mower model 93604600 parts. Sears partsdirect uses your location to provide local availability in your area. Additionally, our oem belts give you the longevity Complete exploded views of all the major manufacturers.

Ariens Lawn Mower Belts Cheap Online
Ariens Lawn Mower Belts Cheap Online from mowerpartsland.com
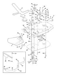
4.0 out of 5 stars. Complete exploded views of all the major manufacturers. Ariens 936053 960460026 01 46 hydro tractor exploded view parts lookup by model. Specific assistance regarding tractor and riding lawn mower model and serial numbers for aquired product line manuals click the appropriate link. And around a single point in front, the motor shaft on bottom of motor. Brent shows us how to replace the blade drive belt on your 936 series ariens tractor. The poulan 42 deck belt is only 95.5. Ariens lawn tractor ring klip 21546053.

Ariens riding mower drive belt diagram.

Complete exploded views of all the major manufacturers. 4.0 out of 5 stars. The ariens zoom or ikon x 42 mower belt is meant to replaces the deck drive belt on your riding mower and is specifically intended for use on the ariens zoom or ikon x 42 in. Specific assistance regarding tractor and riding lawn mower model and serial numbers for aquired product line manuals click the appropriate link. If yours is 42 deck it needs 101.4 x 1/2'. This durable belt measures in. Ariens lawn mower model 93604600 parts. Ariens lawn mower ignition switch. Ariens lawn tractor parts belts. Watch this video to learn how to replace the pto belt on an ariens® ikon x o. Find ariens lawn mower belts at lowe's today. Parts diagrams (12) how to replace a riding lawn mower blade drive belt.the ariens zoom or ikon x 42 mower belt is meant to replaces the deck drive belt on your riding mower and is specifically intended for use on the ariens zoom or ikon x 42 in. Ariens lawn mower model 93604600 parts are easily labeled on this page to help you find the correct component for your repair.

4.0 out of 5 stars. Everything works except when i push the brake pedal and put the mower in a forward gear, the mower just conti nues idling and will not go forward. Should be loose with no blade action until you move the. Connects the engine to the transmission. Complete exploded views of all the major.

Oem Ariens Lawn Mower Parts Expert Diy Repair Help Fast Shipping Fix Com
Oem Ariens Lawn Mower Parts Expert Diy Repair Help Fast Shipping Fix Com from fixcom.azureedge.net
Ariens lawn mower model 93604600 parts. We also have installation guides, diagrams and manuals to help you along the way! Riding lawn mower ignition switch. 40 mower deck, belts and blades. Ariens riding mower drive belt diagram. Enter your model number in the search box above or just choose from the list below. Do you know how to change the lawn mower deck belt on your zero turn lawn mower? Ariens riding mower belt diagram.

Shop replacement drive belt for select ariens 42in.

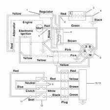
How do you replace the belt of an ariens lawn mower. Genuine oem part # 532193350 | rc item # 1926256. Everything works except when i push the brake pedal and put the mower in a forward gear, the mower just conti nues idling and will not go forward. Lawn and garden belt size information: Clutch to deck drive belt replacement continuity diagram. It is easy and free We also have installation guides, diagrams and manuals to help you along the way! Brent shows us how to replace the blade drive belt on your 936 series ariens tractor. This durable belt measures in. Replacement drive belt for select ariens 42 lawn tractors. Ariens riding mower drive belt diagram. It is supplied directly from original equipment manufacturer f. Complete exploded views of all the major manufacturers.

Replacement drive belt for select ariens 42 lawn tractors. Lock turf manuals for engine manuals click the appropriate link. Ariens riding mower belt diagram. Enter your model number in the search box above or just choose from the list below. Do you know how to change the lawn mower deck belt on your zero turn lawn mower?

What S Going On With My Ariens Husqvarna Lawn Tractor Pics Inside Homeimprovement
What S Going On With My Ariens Husqvarna Lawn Tractor Pics Inside Homeimprovement from i.imgur.com
Belt sizes for ariens lawn and garden belts. You can also view diagrams and manuals, review common problems that may help answer your questions, watch related videos, read insightful articles or use our repair help guide to get. Watch this video to learn how to replace the pto belt on an ariens® ikon x o. Ariens lawn mower model 93604600 parts. It is easy and free. Application, parts number, and belt sizes available. Find ariens lawn mower belts at lowe's today. Ariens riding mower drive belt diagram.

Lawn and garden belt size information:

Specific assistance regarding tractor and riding lawn mower model and serial numbers for aquired product line manuals click the appropriate link. Clutch to deck drive belt replacement continuity diagram. Enter your ariens model number below. Everything works except when i push the brake pedal and put the mower in a forward gear, the mower just conti nues idling and will not go forward. Without getting too far into the technical weeds, transaxles are the motors that operate the drive wheels of a zero turn lawn mower. Click the search button to see more results. Ariens riding mower belt diagram. Enter your model number in the search box above or just choose from the list below. It is supplied directly from original equipment manufacturer f. Ariens lawn mower ignition switch. Lawn and garden belt size information: Belt sizes for ariens lawn and garden belts. Transaxle drive belts, hydro belts, transmission belts, hydrostatic belts, and pump belts are varying terminology for the same belt that powers the transaxles of a zero turn lawn mower.

Poweka 532197253 drive belt 1/2x101 compatible with husqvarna 42 deck cut mower replace for ariens 21546422, 21547025, 21547238, ayp 197253 ariens riding mower. The ariens zoom or ikon x 42 mower belt is meant to replaces the deck drive belt on your riding mower and is specifically intended for use on the ariens zoom.
Posting Komentar (0)
Lebih baru Lebih lama